製品に関するよくあるご質問
APT-123□-□ 置き換え

質問
APT-123□-□の代替品はどれになりますか?

回答
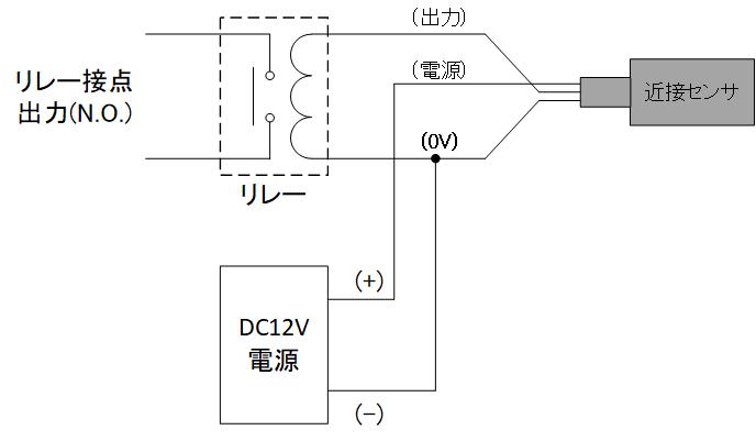
APT-123□-□はAC電源で電圧出力形近接センサを接続し、リレー接点出力を得るユニットです。
既に廃止されており代替品はありません。
下記のような構成にすれば(APT-123T□-□の場合はリレーでなく、オンディレータイマーなど)同等の機能が実現できます。

※リレーは、近接センサの出力で駆動できる DC12V で動作するリレーを選定して下さい。
製品
関連マニュアル
関連キーワード
SPT 近接センサ電源 APT-123-G APT-123-H APT-123T1-G APT-123T1-H APT-123T3-G APT-123T3-H APT-123T10-G APT-123T10-H